直齒條的銑削加工相關說明分別如下,供大家參考了解,不清楚的地方或相關需求,可向峰茂廠家免費咨詢。
齒條大多在銑床上加工,對精度高的及批量大時,往往在齒輪機床或專用機床上加工,但在銑床上也能加工精度較高的齒條。
銑床上加工齒條也是成形加工法,其基本要求是保證齒形、齒厚和齒距的尺寸、齒距的累積誤差均符合圖樣要求,以及分度線與基準面平行。此外,對斜齒條還應使螺旋角β的度數和方向均符合圖樣要求。
直齒條的銑銷加工:
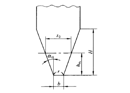
當直齒圓柱齒輪的基圓直徑無限大時,漸開線齒廓就成為直線,齒輪也就變成齒條。這時分度圓、齒頂圓和齒根圓也成為直線,分別稱為分度線、齒頂線和齒根線。直齒條的齒和齒槽與側面垂直。
1、直齒條的各部尺寸計算如齒距、齒厚、齒頂高、齒根高、全齒高及長度等,計算公式方法如下:

2、銑齒用的銑刀決定齒條齒形準確度的主要因素是銑刀的齒廓形狀。標準齒條齒槽的輪廓是呈40°夾角的等腰梯形,齒槽兩側面和底面的法向截面形狀均是直線,齒條銑刀的齒廓形狀應與齒條齒槽的截面形狀相同。
這里所說的齒廓形狀是指:當齒條銑刀前角為零度時,就是三條刀刃組成的形狀;當前角不等于零度時,為三條刀刃在基面上投影的形狀。前角為零度的齒廓如圖。

在實際工作中,當齒條精度要求不高時,一般都采用8號齒輪銑刀銑削。8號齒輪銑刀的齒廓雖不是直線,而是有一點曲度的漸開線,然而比較直,故對一般的齒條仍可適用。
另外,齒輪銑刀的直徑比較小,在設計橫向刀架或采用專用銑頭時,需考慮受銑刀直徑的影響。
大模數齒條可用指形齒輪銑刀加工,粗加工時可用改磨過的立銑刀加工。
影響齒條齒形準確度的其他因素還有銑刀旋轉時有擺動;進給方向與盤銑刀中分面不平行,即工作臺“零位”不準。但當中分面偏歪的角度很小(小于10)或銑刀擺動量不大時,對齒形的形狀誤差影響較小,故在加工精度不高的齒條時,要求不嚴。但對精度高的產品,必需仔細檢查。
3、銑長齒條時的刀具安裝銑長齒條時,必須要對銑床進行改裝,以使齒輪盤銑刀的旋轉平面和產品的齒槽一致。
4、銑齒條時的移距方法:
加工直齒條時,每銑完一條齒槽,工作臺需移動一個齒距p,稱為移距。現將常用的幾種移距方法分析如下:
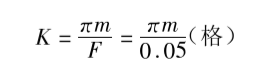
a、刻度盤法:移距時利用橫向或縱向手柄刻度盤來控制移動距離,手柄對刻度盤每次轉過的格數K可按下式計算:

式中F——刻度盤每格示值(mm/格)。
b、孔盤法:這種方法是以孔盤來代替刻度盤,把手柄和刻度盤拆下,將自制的或修改后的孔盤和帶插銷的手柄裝上。移距時,手柄在孔盤上每次轉過的轉數n可按下式計算:

式中P絲—工作臺絲杠螺距(mm)。
c、量塊法:利用量塊的精確尺寸來控制移距的方法稱為量塊法。采用此法時,般還需用百分表來輔助控制移動。
用量塊法控制移距,能獲得較高精度的齒距,故在加工精度較高的齒條時,可采用此法。
d、直線移距分度法:直線移距分度法按掛輪位置不同可分為側軸交換齒輪法和主油交換齒輪法兩種。
銑齒條時,用側軸交換齒輪法可使手柄搖的轉數少,而移距精度與孔盤法相同。用側軸交換齒輪法移距時,需把分度頭改裝且操作很不方便。
主軸交換齒輪法的缺點是手柄需搖很多轉;優點是不需對分度頭修改。此法只適用于作縱向移距。
移距時,只要把齒距p(πm)代入直線移距分度法的公式中即可。
e、專用掛輪法:適用于加工各種不同模數的齒條,精度比孔盤法高,操作簡便,是一種生產效率和精度都較高的移距方法。缺點是需要制造一副專用掛輪法的裝置。
f、數顯裝置控制尺寸法:數顯是數字顯示的簡稱,數顯裝置在機床上的應用已日見廣泛。利用數顯裝置來控制工作臺移動距離,能獲精確度很高的尺寸,并不受工作臺絲杠及傳動系統精度的影響。工作臺移動的尺寸,在屏幕上直接顯示出來。
目前,數顯裝置顯示的尺寸,精度不高的可達0.01mm;精度較高的可達0.001mm;精度高的可達0.0001mm,甚至更高,足夠加工高精度的齒條。
以上就是今天分享的直齒條的銑削加工相關說明,包括但不僅限于,如有更多疑問或相關加工需求,可向峰茂廠家免費咨詢。